CIM1/UC24-240V
| Current type | AC / DC (50 Hz) |
|---|---|
| Nominal voltage | 24 V-240 V |
| Current consumption on input control B1 AC / DC | < 22 mA / < 22 mA |
|---|---|
| Current consumption on supply A1-A2 AC / DC | < 23 mA / < 23 mA |
| Frequency range | 0; 16 ... 63 Hz |
| Nominal voltage | 24 … 240 V AC / DC |
| Operating voltage range | 16.8 … 250 V AC / DC |
| Power consumption AC / DC | 1.2 VA / 430 mW |
| Threshold voltage on input control B1 AC / DC | 13 V / 15 V |
| Conductor cross section control / main circuit | 2.5 mm2, 2 x 1.5 mm2 |
|---|---|
| Housing material | PC |
| Ingress Protection | IP 20 |
| Nominal screw torque control / main circuit | 0.5 Nm |
| Operation temperature | -40 ... 60 °C |
| Storage temperature (no ice) | -40 ... 85 °C |
| Weight | 70 g |
| Overvoltage category | III |
|---|---|
| Pollution degree | 2 |
| Rated test voltage control / main circuit | 2.5 kV rms / 1 min |
| Rated test voltage open contact | 1 kV rms / 1 min |
| Contact materials | AgNi |
|---|---|
| Inrush current | 30 A, 10 ms |
| Mechanical endurance (cycles) | 30 000 000 |
| Minimum load | 10 mA, 10 V |
| Number of contacts | 1 CO |
| Rated current | 16 A |
| Rated load AC-1 | 4000 VA |
| Rated voltage | 250 V AC |
| Switching at zero crossing | yes (td > 0.6 s) |
| Approvals | UKCA,CE,EAC,cURus |
|---|---|
| Standards | IEC/EN 61812-1 |
| Timing range | 50 ms … 0.6 s / 0.5 s … 6 s / 5 s … 60 s / 0.5 min … 6 min / 5 min … 60 min / 0.5 h … 6 h / 5 h … 60 h |
|---|---|
| Timing scale | 0.6 s / 6 s / 60 s / 6 min / 60 min / 6 h / 60 h |
There are two ways to retrofit an existing industrial relay with timing functions.
Time cubes are ideal when a socket and relay are already installed and only a single timing function needs to be added. The time cube is simply plugged between the socket and the relay and adjusted via DIP switch or potentiometer. It is available for industrial relay series C2 and C3, as well as for the Long Life series C2x and C3x.
Alternatively, time modules can be used. These modules are inserted into the socket’s module compartment and, compared to time cubes, offer more timing functions and longer setting ranges. They are available for sockets S3-M0, S3-M0R, S3-M1, S3-M1R, S5-M, and S5-MR and are compatible with industrial relays C3 and C5, as well as Long Life relays C3x.
Both solutions allow time relays to be configured with up to three changeover contacts – more than is usually possible with standard time relays.
The process is the same for almost all time relays. First, select a function using the potentiometer. Each letter (A, E, W, K, etc.) stands for a specific function, which is described on the side of the relay or on the package insert.
Next, select the time range, whereby the selected range always corresponds to the maximum value. The last potentiometer is then used to fine-tune the time setting. For example, if you want to set a 30-second switch-off delay, it would look like this:
Function: A
Time range: 60 seconds
Fine adjustment: On a scale of 0-6, the potentiometer is then set to 3 (6 = 60 seconds, 3 = 30 seconds, 1 = 10 seconds).
E – On delay
The function provides a delayed switching ON of the output.
When S switches ON, the time t starts.
After t expires, the output R switches ON.
If S switches OFF before t ends, R stays OFF.
A – Off delay
The function provides a delayed switching OFF of the output.
When S switches ON, the output R switches ON immediately.
When S switches OFF, the time t starts.
After t expires, the output R switches OFF.
F – On and off delay
The function provides a delayed switching ON and a delayed switching OFF of the output.
When S switches ON, the on delay t₁ starts.
After t₁ expires, the output R switches ON.
When S switches OFF, the off delay t₂ starts.
After t₂ expires, the output R switches OFF.
W – One shot leading edge
The function provides a fixed output pulse on the leading edge of the trigger.
When S switches ON, the output R switches ON for time t.
After t expires, R switches OFF, independent of S.
When S switches OFF, R switches OFF.
N – One shot trailing edge
The function provides a fixed output pulse on the trailing edge of the trigger.
When S switches ON, R does not change.
When S switches OFF, the output R switches ON for t.
After t expires, R switches OFF.
Q – One shot leading and trailing edge
The function provides fixed output pulses on both the leading and trailing edges of the trigger.
When S switches ON, the output R switches ON for t1.
After t1 expires, R switches OFF.
When S switches OFF, the output R switches ON again for t2.
After t2 expires, R switches OFF.
K – Pulse shaping
The function provides a fixed output pulse independent of the input duration.
When S switches ON (pulse or continuous), the output R switches ON for t.
During t, S has no influence on R.
After t expires, R switches OFF.
L – Pulse shaping, retrigger
The function provides a fixed output pulse that restarts when retriggered.
When S switches ON, the output R switches ON for t.
If S triggers again during t, the time t restarts from zero.
After the final t expires, R switches OFF.
M – Puls shaping
The function provides a fixed output pulse after S switches OFF.
When S switches ON, R remains OFF.
When S switches OFF, the output R switches ON for t.
After t expires, R switches OFF.
B – Indicator, pulse start
The function provides periodic ON and OFF switching starting with an ON pulse.
When S switches ON, the output R switches ON for time t, then switches OFF for time t.
R switches ON and OFF periodically until S switches OFF. R switches OFF with S.
B1 – Indicator, pulse start, trailing pulse
The function provides periodic ON and OFF switching starting with an ON pulse and ending with a trailing pulse.
the output R switches ON for time t, then switches OFF for time t.
R switches ON and OFF periodically until S switches OFF.
When S switches OFF, the output R switches ON once more for t, then R switches OFF.
B2 – Indicator, interval start
The function provides periodic ON and OFF switching starting with an OFF interval.
When S switches ON, the output R remains OFF for t, then R switches ON for time t.
R switches ON and OFF periodically until S switches OFF. R switches OFF with S.
G – On delay single shot
The function provides an output pulse after a delay.
When S switches ON, the delay t₁ starts.
After t₁ expires, the output R switches ON for t₂.
After t₂ expires, R switches OFF.
During t₂, S has no influence on R.
H – On delay single shot
When S switches ON, the delay t₁ starts.
After t₁ expires, the output R switches ON for t₂.
After t₂ expires, R switches OFF.
When S switches OFF, R switches OFF
I – Repeat cycle timer, pulse start
The function provides periodic ON and OFF switching starting with an ON pulse.
When S switches ON, the output R switches ON for t₁.
After t₁ expires, R switches OFF for t₂.
Afterwards R switches ON and OFF periodically according to t₁ and t₂.
When S switches OFF, R switches OFF.
P – Repeat cycle timer, interval start
The function provides periodic ON and OFF switching starting with an OFF interval.
When S switches ON, the delay t₁ starts, and R remains OFF for t₁.
After t₁ expires, the output R switches ON for t₂.
Afterwards R switches ON and OFF periodically according to t₁ and t₂.
When S switches OFF, R switches OFF.
Y - Star–delta timer
The function provides automatic switching from star operation to delta operation.
When S switches ON, the time t starts, and the star output R switches ON.
After t expires, the star output switches OFF and the delta output switches ON.
When S switches OFF, both outputs switch OFF.
S - Step-on / Step-off switch
The function provides stepwise switching with each activation of the trigger.
Each time S switches, the output R changes state for time t.
The trigger has no time-dependent influence.
LS - Step-switching (staircase lighting timer)
The function provides timed activation with optional stop and reset control.
When S is triggered, the time t starts, and the output R switches ON.
When S is triggered again, the time t stops and R switches OFF.
WhenS is triggered again, the time t resets and starts again immediately.
When t expires, the output R switches OFF.
U – Pulse sequence monitoring
The function provides monitoring of pulse separation and triggers an alarm if pulses are too close together. If the separation becomes smaller than the set time tP, an alarm output is activated after an additional delay tV.
The monitoring starts with S1 or S2.
If the pulse separation of P is smaller than tP, an alarm output is activated after the alarm delay tV.
If the pulse separation is larger than tP, no alarm is triggered.
The start‑up behaviour depends on the selected input S1 (Monitoring begins immediately with the first pulse. There is no suppression of alarm monitoring during start‑up.) or S2 (Monitoring begins after the short‑out time tA to prevent false alarms during system start-up)
V – Pulse sequence monitoring
The function provides monitoring of pulse separation and triggers an alarm if pulses are too far apart.
The monitoring starts with S1 or S2.
If the pulse separation of P is larger than tP, an alarm output is activated after the alarm delay tV.
If the pulse separation is smaller than tP, no alarm is triggered.
The start‑up behaviour depends on the selected input S1 (without start‑up short‑out tA) or S2 (with start‑up short‑out tA).
How can I prevent re‑activation for a defined time after switch‑off?
A re‑activation lockout ensures that a load cannot be switched on again for a defined time after being switched off, even if further impulses are present. Typical applications include device protection, limiting switching frequency or enforcing minimum off‑times. This function can be implemented easily using two time relays, without any special functions.
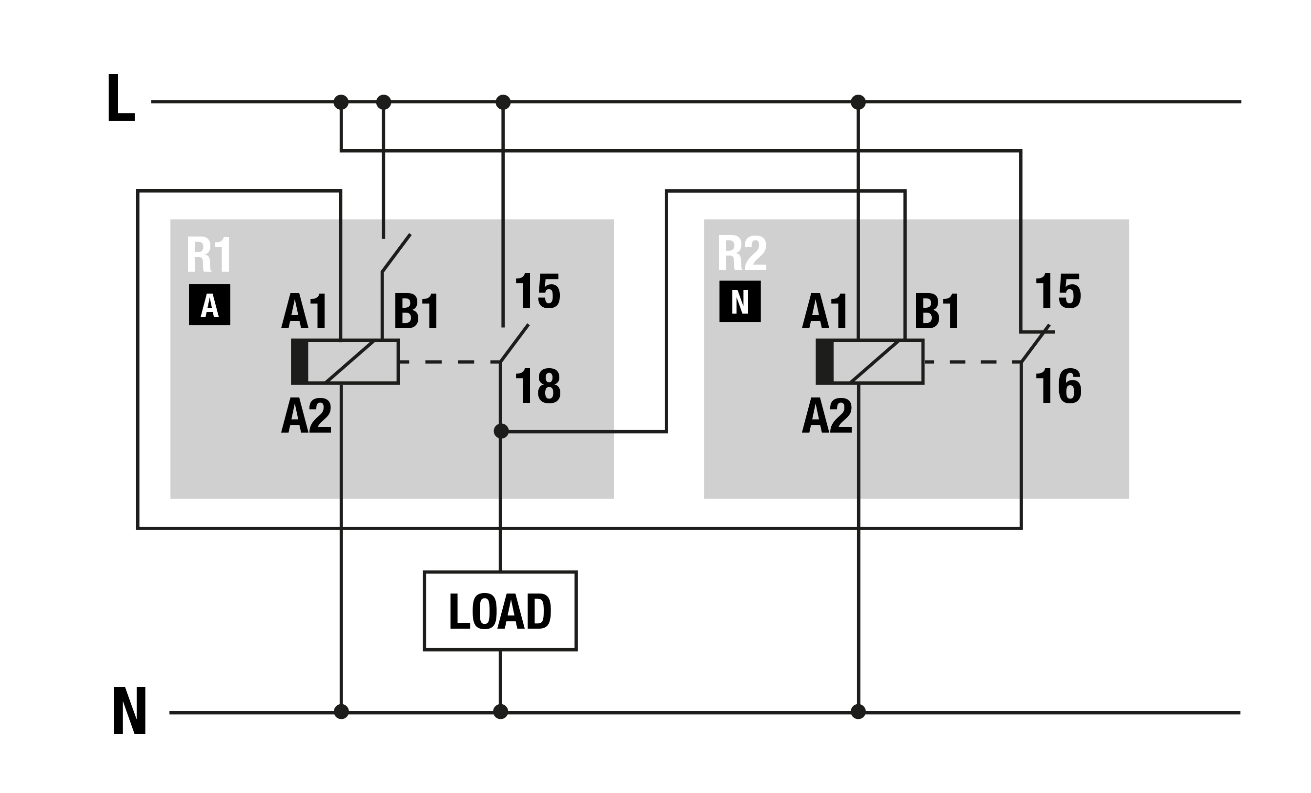
Example with 2× CIM1/UC24–240 V
Requirement
- A pulse switches the load on.
- The load must remain switched on for 15 min.
- After that, the input must be locked for 2 h.
Time relay settings
Relay 1 (R1): CIM1/UC24–240 V
Function: Off‑delay (A)
Time: 15 min
Relay 2 (R2): CIM1/UC24–240 V
Function: Off‑pulse (N)
Time: 2 h
Operation
When time relay R1 receives a pulse at input B1, its contact 15/18 closes and starts the off‑delay (A).
The load is switched on and remains active for 15 min.
At the same time, a continuous signal is applied to input B1 of the second time relay R2 via the closed contact of R1.
After the 15 min have elapsed, contact 15/18 of R1 opens again.
This falling edge triggers the off‑pulse (N) function on R2.
The normally closed contact of R2 interrupts the supply of R1 for 2 h.
During this time, R1 is blocked and cannot switch again.
Incoming impulses have no effect.
After the 2 h have elapsed, the contact of R2 closes again.
R1 is released and the system is ready for the next cycle.

