Typisch bei elektronischen Vorschaltgeräten, modernen LED Beleuchtungen, Energiesparlampen oder Netzteilen sind hohe Einschaltströme beim Schalten, welche Werte bis zum 250-fachen des Nominalstroms aufweisen können. Dafür bietet ComatReleco spezielle Relais für hohe Einschaltströme an:
- CHI14 / CHI34: Nulldurchgangsschaltung, bis zu 800A Einschaltstrom für 800us
- C7-W10: Mit Wolfram Vorlaufkontakt, bis 500A Einschaltstrom für 2,5ms
- C10-A15: Mit Silber-Zinnoxid-Kontakt, bis 120A Einschaltstrom für 20ms
- CIM14: Zeitrelais mit Nulldurchgangsschaltung, bis zu 800A Einschaltstrom für 800us
Die Reihenschaltung von Widerstand und Kondensator bewirkt beim Abschaltvorgang, dass der Strom in einer gedämpften Schwingung ausklingen kann. Beim Einschaltvorgang verhindert der Widerstand, dass sich die volle Kondensatorladung über den Schaltkontakt entlädt. Die Schutzbeschaltung mittels RC-Glied ist sehr gut geeignet für Wechselspannung. Ausserdem kommt es zur sofortigen Abschaltbegrenzung.
Für eine zuverlässige LED-Schrittschaltung kann das CHI34/UC24-240V in Kombination mit dem CIM1/UC24-240V eingesetzt werden. Das CIM1 übernimmt die Schrittlogik. Das CHI34 ist für moderne LED-Systeme ausgelegt und ermöglicht ein störungsfreies Ein- und Ausschalten der Beleuchtung.
Spulenspannung?
- Verfügbare Spulenspannungen AC und DC finden Sie im Katalog. Der technische Support von ComatReleco kann Ihnen weiterhelfen, sollten Sie keine passende Spulenspannung für Ihre Anwendung finden.
Zu schaltende Last?
- Art der Last?
- Ist die zu schaltende Last ohmisch? Induktiv? Kapazitiv? Dies ist ein sehr wichtiger Faktor der zur Auswahl eines Relais/Schütz zu wissen ist.
- AC? DC?
- Wird die zu schaltende Last mit Wechselstrom oder Gleichstrom versorgt? Wie hoch ist die Spannung?
Schalthäufigkeit?
- Wie oft soll das Relais pro Tag, Stunde, Minute oder gar Sekunde geschaltet werden? Bei vielen Schaltzyklen empfiehlt sich ein Halbleiterrelais, da kein mechanischer Kontakt vorhanden ist und somit die Lebensdauer praktisch unendlich ist.
Umgebung?
- Dazu gehört die z.B. Umgebungstemperatur, wo das Relais/Schütz installiert wird. Auch dazu gehören Angaben zur Umgebung: staubig? Dringt Feuchtigkeit ein? Aggressive Gase? Sonstige Nennenswerte Faktoren?
Kleine Signale schalten, was sollte man beachten?
- Sind Signale im mA Bereich zu Schalten ist es wichtig, ein geeignetes Relais mit einer entsprechenden Mindestlast auszuwählen. Dazu eignen sich Relais mit Goldbeschichteten Kontakten. Gold hat eine sehr gute Leitfähigkeit, weshalb Kleinsignale geschaltet werden können. Dafür neigt Gold aber zum Verschweissen der Kontakte bei zu hohen Strömen. ComatReleco bietet auch Relais mit Doppel-Goldkontakten an. Diese Doppelkontakte sorgen für eine erhöhte Schaltsicherheit für Steuer- und Signalstromkreise.
- Eine weitere Möglichkeit zu den mechanischen Relais ist der Einsatz von Halbleiterrelais. Die CSS Reihe von ComatReleco kann schon Ströme ab 1mA (DC) und 35mA (AC) zuverlässig schalten.
Freilaufdioden dienen zum Schutz vor einer Überspannung beim Abschalten einer induktiven Gleichspannungslast. Dazu werden Dioden derart parallel zu induktiven Gleichstromverbrauchern geschaltet, dass sie von der Speisespannung in Sperrrichtung beansprucht werden. Nach dem Abschalten der Speisespannung sorgt die Selbstinduktion der Spule dafür, dass der Strom zunächst in der ursprünglichen Richtung weiter fliesst. Ohne Freilaufdiode führt das zu einer Spannungsspitze, die sich zur Betriebsspannung addiert und die Schaltstrecke schädigen oder zerstören kann. Mit einer Freilaufdiode wird die Spannungsspitze jedoch auf die Durchlassspannung der Diode (bei Silizium etwa 0,7 V) begrenzt. Das schützt die elektronischen Bauteile, aber auch Schaltkontakte sehr effektiv vor Überspannung.
Die Handbetätigung unserer steckbaren Relais ist im Bezug auf die Spulenspannung farbkodiert. So lässt sich die richtige Spannungsart leicht erkennen und Verwechslungen werden vermieden.
| rot | 230 V AC (50 Hz & 60 Hz) |
| dunkelrot | andere AC Spannungen |
| blau | 24 V DC |
| dunkelblau | andere DC Spannungen |
| grau | geeignet für AC und DC Spannungen (universal current "UC") |
| orange | push only Diese Handbetätigung kann nicht arretiert werden, wird jedoch bei einem Druck darauf die Spule übersteuern und die Kontakte betätigen. |
| schwarz | Blindtaste. Diese Handbetätigung kann eingesetzt werden, wenn das Relais nicht von Hand betätigt werden darf. Die reguläre Handbetätigung kann durch diese schwarze Blindtaste ersetzt werden. Dadurch ist keine Betätigung mehr möglich. |
Entfernen Sie zuerst die vorhandenen Handbetätigung, indem Sie ihn mit einem Schlitzschraubendreher nach oben herausziehen. Ein Schlitzschraubendreher der Größe 0 oder 00 wird empfohlen. Danach können Sie die neue Handbetätigung einsetzen, zum Beispiel einen Dummy-Taster oder einen Push-Only-Taster.
Halbleiterrelais (Solid State Relays, SSR) sind besonders interessant, wenn spezielle Anforderungen an Umgebung, Schalthäufigkeit oder Signalqualität bestehen:
Robust gegenüber mechanischen Belastungen: SSRs sind unempfindlich gegenüber Vibrationen und Erschütterungen.
Häufige Schaltzyklen / schnelles Schalten: Ohne mechanische Kontakte sind SSRs ideal für Anwendungen mit vielen Schaltvorgängen oder hoher Schaltfrequenz.
Seltene Schaltvorgänge: Auch bei sehr geringer Schalthäufigkeit sind SSRs zuverlässig, da keine Kontaktkorrosion auftreten kann.
Sehr lange Lebensdauer: Ohne bewegliche Teile verschleißen SSRs praktisch nicht und erreichen eine deutlich längere Lebensdauer als elektromechanische Relais.
Lärmarme oder geräuschfreie Schaltung: Sie arbeiten vollkommen geräuschlos und ohne Kontaktfunken.
Nulldurchgangsschaltung bei Wechselstrom: Viele SSRs schalten im Nulldurchgang der Wechselspannung und reduzieren Spannungsspitzen, insbesondere bei induktiven Lasten. Unsere Serien CSS-Z* sowie R10-Z1Z* sind nulldurchgangsschaltend.
Zu beachten: Bei höheren Lasten erzeugen SSRs Wärme. Je nach Anwendung ist eine geeignete Kühlung oder die Montage auf einem Kühlkörper erforderlich.
Es gibt zwei Möglichkeiten, ein bestehendes Industrierelais nachträglich mit Zeitfunktionen auszustatten.
Zeitwürfel eignen sich ideal, wenn bereits ein Sockel und Relais verbaut sind und nur eine einzelne Zeitfunktion ergänzt werden soll. Der Zeitwürfel wird einfach zwischen Sockel und Relais gesteckt und über Schiebeschalter oder Potentiometer eingestellt. Verfügbar für die Industrierelais der Serien C2 und C3 und den Long Life Serien C2x und C3x.
Alternativ können Zeitmodule eingesetzt werden. Diese werden in das Modulfach des Sockels gesteckt und bieten im Vergleich zu Zeitwürfeln mehr Zeitfunktionen sowie längere Einstellbereiche. Sie sind für die Sockel S3-M0, S3-M0R, S3-M1, S3-M1R und S5-M und S5-MR erhältlich und passen zu den Industrierelais C3 und C5 und den Long Life Relais C3x.
Mit beiden Varianten lassen sich Zeitrelais mit bis zu drei Umschaltkontakten konfigurieren – mehr, als bei herkömmlichen Zeitrelais üblich ist.
Bei fast allen Zeitrelais ist der Vorgang gleich. Als erstes wählt man via Potentiometer eine Funktion aus. Jeder Buchstabe (A, E, W, K, usw.) steht für eine bestimmte Funktion, welche auf der Seite des Relais oder auf dem Beipackzettel beschrieben ist.
Als nächstes wählt man den Zeitbereich aus, wobei der gewählte Bereich immer den maximalen Wert ergibt. Mit dem letzten Potentiometer wird dann die Feinjustierung der Zeit eingestellt. Will man z.B. eine 30 sec. Ausschaltverzögerung einstellen sieht das so aus:
Funktion: A
Zeitbereich: 60 sec.
Feinjustierung: Bei einer Skala von 0-6 wird dann das Potentiometer auf die 3 gestellt (6= 60 sec, 3 = 30 sec, 1 = 10 sec.)
Ein Remanenzrelais (engl. latching relay) ist ein bistabiles Relais, das seinen Schaltzustand auch dann beibehält, wenn die Versorgungsspannung unterbrochen wird. Das bedeutet, dass die zuletzt gewählte Schaltstellung – ob ein- oder ausgeschaltet – zuverlässig gespeichert bleibt, bis das Relais bewusst umgeschaltet wird.
Eingesetzt wird ein Remanenzrelais überall dort, wo der Schaltzustand nach einem Stromausfall oder einer Unterbrechung erhalten bleiben muss. Dadurch können Anlagen oder Systeme nach einer Unterbrechung sicher und stabil weiterbetrieben werden, ohne dass der Zustand neu eingestellt werden muss.
Zu den wichtigsten Vorteilen zählen die hohe Energieeffizienz und die Betriebssicherheit. Energie wird nur während des Umschaltens benötigt, nicht aber zum Halten des Zustands. Gleichzeitig sorgt die Fähigkeit, den Schaltzustand auch bei Spannungsverlust beizubehalten, für zusätzliche Zuverlässigkeit und Schutz vor unerwünschten Änderungen im Betrieb.
Ein Remanenzrelais funktioniert durch magnetische Remanenz: Wird das Relais geschaltet, bleibt im Magnetkern ein Restmagnetismus erhalten, der den Anker in seiner Stellung hält, auch wenn die Versorgungsspannung abgeschaltet wird. Der Schaltzustand bleibt dadurch stabil gespeichert, bis ein erneutes Steuersignal ein entgegengesetztes Magnetfeld erzeugt und damit den vorhandenen Restmagnetismus kompensiert. Erst dadurch wird das Relais gezielt in den neuen Zustand umgeschaltet. Auf diese Weise benötigt es nur während des Schaltvorgangs Energie und vereint hohe Effizienz mit Betriebssicherheit.
Bei Remanenzrelais mit DC-Spulen dürfen beide Steuereingänge gleichzeitig versorgt werden. In diesem Fall hat der Steuereingang A1 (ON) immer Vorrang vor dem Steuereingang A3 (OFF).
Anders verhält es sich bei AC-Spulen: Werden hier beide Steuereingänge gleichzeitig bestromt, führt dies zu einem unkontrollierten Hin- und Herschalten der Kontakte. Dadurch wird das Relais innerhalb kürzester Zeit zerstört. Aus diesem Grund dürfen bei Remanenzrelais mit AC-Spulen niemals beide Steuereingänge gleichzeitig aktiviert werden.
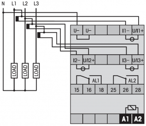
Spannung, Strom, Frequenz, Wirkleistung, Scheinleistung, cos Phi, Delta Phi (Phasenfolge).
Im Datenblatt des Gerätes sowie auf dem Beipackzettel ist eine Beschreibung der Menu Führung usw. zu finden.
Durch drücken beider Pfeiltasten gleichzeitig, gelangt man ins Menu. Geht man in die Settings rein, wird man automatisch durch das Menu geführt.
Um grössere Ströme als 5A messen zu können werden Stromwandler benötigt, welche sekundärseitig mit 5A spezifiziert sind. Somit können auch hohe Ströme gemessen werden, jedoch muss dann der «Scaling Factor» in den Settings angepasst werden.
Ursache dafür kann eine kleine Restspannung in der Schaltung sein, welche ausreicht, damit die Relaisspule nicht abfällt. Diese brauch nur 0.1*Un um im erregten Zustand zu bleiben! Bei einer 230VAC Spule würde das Relais also erst bei <23VAC abfallen!
Lange Leitungen der Drähte/Litzen sorgen oft für induktionsspannung, welche das Relais nicht mehr abfallen lässt. ComatReleco hat dafür ein Entstörglied, das CEM01 entwickelt. Dieses Entstörglied wird parallel zur Spule angeschlossen und kompensiert den Reststorm der Leitungen. Somit kann das Relais sauber abfallen.
Wenn ein Relais oder Schütz mit Frisch- oder Schmutzwasser in Kontakt kommt, ist ein zuverlässiger Betrieb nicht mehr gewährleistet. Insbesondere in Verbindung mit Schmutz oder Salzen, können Korrosion an Kontakten und Leiterbahnen verursachen. Auch wenn das Bauteil nach dem Trocknen scheinbar wieder funktioniert, bleibt das Risiko von verdeckten Schäden bestehen.
Ein durch Feuchtigkeit beeinträchtigtes Relais kann unvorhersehbar ausfallen, in einer Schaltstellung hängen bleiben oder fehlerhafte Signale weitergeben. Zudem besteht die Gefahr interner Kurzschlüsse oder Lichtbögen, insbesondere bei Hochstromanwendungen. Solche Ausfälle gefährden nicht nur die Betriebssicherheit, sondern können erhebliche Folgeschäden nach sich ziehen.
Aus diesem Grund ist es immer die bessere und sicherere Entscheidung, ein betroffenes Relais oder Schütz auszutauschen. Die Kosten für ein neues Gerät sind vergleichsweise gering, während die möglichen Kosten durch Ausfälle oder Folgeschäden die Anschaffungskosten um ein Vielfaches übersteigen können. Nur so lässt sich die gewohnte Qualität und Zuverlässigkeit dauerhaft sicherstellen.
